| ·高安全性,通过 TUV4 级安全认证,性能达到 PLe ·两种同步方式,光同步和线同步,简化布线,提高安装效率 ·状态指示丰富,端盖指示灯可远距离清晰辨识光栅工作状态 ·体积小巧,结构精致,安装方式灵活多样 ·超大保护高度,可达2872mm,且稳定对光距离大于15m ·独特的内减振设计,良好的抗振性 ·高防护等级:IP65/IP67 防护等级 ·抗光干扰和电磁干扰能力强,性能更稳定 |
| ▊ | 规格型号表 |
规格型号 14mm分辩率 | |||||||||
规格型号 | 光束数 | H | J | L | C | 响应时间(ms) | MTTFD(年) | PFHD(1/h) | MTTF(年) |
LSMT-14-0150H | 15 | 112 | 150 | 500 | 220 | <16 | 364 | 6.44E-09 | 43 |
LSMT-14-0190H | 20 | 152 | 190 | 500 | 260 | <18 | 332 | 7.04E-09 | 42 |
LSMT-14-0230H | 25 | 192 | 230 | 500 | 300 | <19 | 305 | 7.76E-09 | 41 |
LSMT-14-0270H | 30 | 232 | 270 | 500 | 340 | <21 | 282 | 8.67E-09 | 40 |
LSMT-14-0310H | 35 | 272 | 310 | 750 | 380 | <23 | 263 | 8.67E-09 | 39 |
LSMT-14-0350H | 40 | 312 | 350 | 750 | 420 | <25 | 246 | 9.81E-09 | 38 |
LSMT-14-0390H | 45 | 352 | 390 | 750 | 460 | <27 | 231 | 1.08E-08 | 37 |
LSMT-14-0430H | 50 | 392 | 430 | 750 | 500 | <28 | 218 | 1.08E-08 | 36 |
LSMT-14-0470H | 55 | 432 | 470 | 750 | 540 | <30 | 206 | 1.19E-08 | 36 |
LSMT-14-0510H | 60 | 472 | 510 | 750 | 580 | <32 | 195 | 1.19E-08 | 35 |
LSMT-14-0550H | 65 | 512 | 550 | 1000 | 620 | <34 | 186 | 1.33E-08 | 34 |
LSMT-14-0590H | 70 | 552 | 590 | 1000 | 660 | <36 | 177 | 1.33E-08 | 33 |
LSMT-14-0630H | 75 | 592 | 630 | 1000 | 700 | <37 | 169 | 1.50E-08 | 33 |
LSMT-14-0670H | 80 | 632 | 670 | 1000 | 740 | <39 | 162 | 1.50E-08 | 32 |
LSMT-14-0710H | 85 | 672 | 710 | 1000 | 780 | <41 | 155 | 1.61E-08 | 32 |
LSMT-14-0750H | 90 | 712 | 750 | 1000 | 820 | <43 | 149 | 1.61E-08 | 31 |
LSMT-14-0790H | 95 | 752 | 790 | 1000 | 860 | <45 | 143 | 1.61E-08 | 30 |
LSMT-14-0830H | 100 | 792 | 830 | 1200 | 900 | <46 | 138 | 1.87E-08 | 30 |
LSMT-14-0870H | 105 | 832 | 870 | 1200 | 940 | <48 | 133 | 1.87E-08 | 29 |
LSMT-14-0910H | 110 | 872 | 910 | 1200 | 980 | <50 | 129 | 1.87E-08 | 29 |
LSMT-14-0950H | 115 | 912 | 950 | 1200 | 1020 | <52 | 124 | 2.03E-08 | 28 |
LSMT-14-0990H | 120 | 952 | 990 | 1200 | 1060 | <54 | 120 | 2.03E-08 | 28 |
LSMT-14-1030H | 125 | 992 | 1030 | 1500 | 1100 | <55 | 117 | 2.03E-08 | 27 |
LSMT-14-1070H | 130 | 1032 | 1070 | 1500 | 1140 | <57 | 113 | 2.23E-08 | 27 |
LSMT-14-1110H | 135 | 1072 | 1110 | 1500 | 1180 | <59 | 110 | 2.23E-08 | 27 |
LSMT-14-1150H | 140 | 1112 | 1150 | 1500 | 1220 | <61 | 107 | 2.23E-08 | 26 |
LSMT-14-1190H | 145 | 1152 | 1190 | 1500 | 1260 | <63 | 104 | 2.47E-08 | 26 |
LSMT-14-1230H | 150 | 1192 | 1230 | 1500 | 1300 | <64 | 101 | 2.47E-08 | 25 |
LSMT-14-1270H | 155 | 1232 | 1270 | 1500 | 1340 | <66 | 98 | 2.47E-08 | 25 |
LSMT-14-1310H | 160 | 1272 | 1310 | 1750 | 1380 | <68 | 96 | 2.47E-08 | 25 |
LSMT-14-1350H | 165 | 1312 | 1350 | 1750 | 1420 | <70 | 94 | 2.74E-08 | 24 |
LSMT-14-1390H | 170 | 1352 | 1390 | 1750 | 1460 | <72 | 91 | 2.74E-08 | 24 |
LSMT-14-1430H | 175 | 1392 | 1430 | 1750 | 1500 | <73 | 89 | 2.74E-08 | 24 |
LSMT-14-1470H | 180 | 1432 | 1470 | 1750 | 1540 | <75 | 87 | 3.08E-08 | 23 |
LSMT-14-1510H | 185 | 1472 | 1510 | 1750 | 1580 | <77 | 85 | 3.08E-08 | 23 |
LSMT-14-1550H | 190 | 1512 | 1550 | 2000 | 1620 | <79 | 83 | 3.08E-08 | 23 |
LSMT-14-1590H | 195 | 1552 | 1590 | 2000 | 1660 | <81 | 81 | 3.08E-08 | 22 |
LSMT-14-1630H | 200 | 1592 | 1630 | 2000 | 1700 | <82 | 80 | 3.08E-08 | 22 |
LSMT-14-1670H | 205 | 1632 | 1670 | 2000 | 1740 | <84 | 78 | 3.41E-08 | 22 |
LSMT-14-1710H | 210 | 1672 | 1710 | 2000 | 1780 | <86 | 76 | 3.41E-08 | 21 |
LSMT-14-1950H | 240 | 1912 | 1950 | 2020 | <97 | 68 | 3.80E-08 | 20 | |
LSMT-14-2190H | 270 | 2152 | 2190 | 2260 | <108 | 61 | 4.22E-08 | 19 | |
LSMT-14-2430H | 300 | 2392 | 2430 | 2500 | <118 | 56 | 4.73E-08 | 17 | |
LSMT-14-2910H | 360 | 2872 | 2910 | 2980 | <140 | 47 | 5.76E-08 | 15 | |
说明:1.H表示检测高度、J表示发射器、接收器长度、L表示钢管长度,C表示防护罩长度(单位:mm) 2.表格所列型号默认为PNP输出方式,检测距离为A型:0~8m;型号后可加(-□N),可定制检测距离:B型:0~15m;N为NPN输出方式 | |||||||||
规格型号 25mm分辩率 | |||||||||
规格型号 | 光束数 | H | J | L | C | 响应时间(ms) | MTTFD(年) | PFHD(1/h) | MTTF(年) |
LSMT-25-0150H | 6 | 112 | 150 | 500 | 220 | <13 | 439 | 5.38E-09 | 44 |
LSMT-25-0190H | 8 | 152 | 190 | 500 | 260 | <13 | 420 | 5.38E-09 | 44 |
LSMT-25-0230H | 9 | 192 | 230 | 500 | 300 | <14 | 411 | 5.38E-09 | 44 |
LSMT-25-0270H | 11 | 232 | 270 | 500 | 340 | <14 | 394 | 5.94E-09 | 43 |
LSMT-25-0310H | 13 | 272 | 310 | 750 | 380 | <15 | 378 | 5.94E-09 | 42 |
LSMT-25-0350H | 15 | 312 | 350 | 750 | 420 | <16 | 364 | 6.44E-09 | 42 |
LSMT-25-0390H | 16 | 352 | 390 | 750 | 460 | <16 | 357 | 6.44E-09 | 42 |
LSMT-25-0430H | 18 | 392 | 430 | 750 | 500 | <17 | 344 | 6.44E-09 | 41 |
LSMT-25-0470H | 20 | 432 | 470 | 750 | 540 | <17 | 332 | 7.04E-09 | 41 |
LSMT-25-0510H | 21 | 472 | 510 | 750 | 580 | <18 | 326 | 7.04E-09 | 41 |
LSMT-25-0550H | 23 | 512 | 550 | 1000 | 620 | <19 | 315 | 7.04E-09 | 40 |
LSMT-25-0590H | 25 | 552 | 590 | 1000 | 660 | <19 | 305 | 7.76E-09 | 39 |
LSMT-25-0630H | 26 | 592 | 630 | 1000 | 700 | <20 | 300 | 7.76E-09 | 39 |
LSMT-25-0670H | 28 | 632 | 670 | 1000 | 740 | <21 | 291 | 7.76E-09 | 39 |
LSMT-25-0710H | 30 | 672 | 710 | 1000 | 780 | <21 | 282 | 8.67E-09 | 38 |
LSMT-25-0750H | 31 | 712 | 750 | 1000 | 820 | <22 | 278 | 8.67E-09 | 38 |
LSMT-25-0790H | 33 | 752 | 790 | 1000 | 860 | <22 | 270 | 8.67E-09 | 37 |
LSMT-25-0830H | 35 | 792 | 830 | 1200 | 900 | <23 | 263 | 8.67E-09 | 37 |
LSMT-25-0870H | 36 | 832 | 870 | 1200 | 940 | <23 | 259 | 9.81E-09 | 37 |
LSMT-25-0910H | 38 | 872 | 910 | 1200 | 980 | <24 | 252 | 9.81E-09 | 36 |
LSMT-25-0950H | 40 | 912 | 950 | 1200 | 1020 | <25 | 246 | 9.81E-09 | 36 |
LSMT-25-0990H | 41 | 952 | 990 | 1200 | 1060 | <25 | 243 | 9.81E-09 | 36 |
LSMT-25-1030H | 43 | 992 | 1030 | 1500 | 1100 | <26 | 237 | 9.81E-09 | 35 |
LSMT-25-1070H | 45 | 1032 | 1070 | 1500 | 1140 | <26 | 231 | 1.08E-08 | 35 |
LSMT-25-1110H | 46 | 1072 | 1110 | 1500 | 1180 | <27 | 228 | 1.08E-08 | 35 |
LSMT-25-1150H | 48 | 1112 | 1150 | 1500 | 1220 | <28 | 223 | 1.08E-08 | 34 |
LSMT-25-1190H | 50 | 1152 | 1190 | 1500 | 1260 | <28 | 218 | 1.08E-08 | 34 |
LSMT-25-1230H | 51 | 1192 | 1230 | 1500 | 1300 | <29 | 215 | 1.08E-08 | 34 |
LSMT-25-1270H | 53 | 1232 | 1270 | 1500 | 1340 | <30 | 210 | 1.19E-08 | 33 |
LSMT-25-1310H | 55 | 1272 | 1310 | 1750 | 1380 | <30 | 206 | 1.19E-08 | 33 |
LSMT-25-1350H | 56 | 1312 | 1350 | 1750 | 1420 | <31 | 203 | 1.19E-08 | 33 |
LSMT-25-1390H | 58 | 1352 | 1390 | 1750 | 1460 | <31 | 199 | 1.19E-08 | 33 |
LSMT-25-1430H | 60 | 1392 | 1430 | 1750 | 1500 | <32 | 195 | 1.19E-08 | 32 |
LSMT-25-1470H | 61 | 1432 | 1470 | 1750 | 1540 | <32 | 193 | 1.19E-08 | 32 |
LSMT-25-1510H | 63 | 1472 | 1510 | 1750 | 1580 | <33 | 189 | 1.33E-08 | 32 |
LSMT-25-1550H | 65 | 1512 | 1550 | 2000 | 1620 | <34 | 186 | 1.33E-08 | 32 |
LSMT-25-1590H | 66 | 1552 | 1590 | 2000 | 1660 | <34 | 184 | 1.33E-08 | 31 |
LSMT-25-1630H | 68 | 1592 | 1630 | 2000 | 1700 | <35 | 180 | 1.33E-08 | 31 |
LSMT-25-1670H | 70 | 1632 | 1670 | 2000 | 1740 | <35 | 177 | 1.33E-08 | 31 |
LSMT-25-1710H | 71 | 1672 | 1710 | 2000 | 1780 | <36 | 175 | 1.50E-08 | 31 |
LSMT-25-1950H | 81 | 1912 | 1950 | 2020 | <40 | 160 | 1.50E-08 | 29 | |
LSMT-25-2190H | 91 | 2152 | 2190 | 2260 | <43 | 148 | 1.61E-08 | 28 | |
LSMT-25-2430H | 101 | 2392 | 2430 | 2500 | <47 | 137 | 1.87E-08 | 27 | |
LSMT-25-2910H | 121 | 2872 | 2910 | 2980 | <54 | 120 | 2.03E-08 | 25 | |
说明:1.H表示检测高度、J表示发射器、接收器长度、L表示钢管长度,C表示防护罩长度(单位:mm) 2.表格所列型号默认为PNP输出方式,检测距离为A型:0~8m;型号后可加(-□N),可定制检测距离:B型:0~15m;N为NPN输出方式 | |||||||||
规格型号 45mm分辩率 | |||||||||
规格型号 | 光束数 | H | J | L | C | 响应时间(ms) | MTTFD(年) | PFHD(1/h) | MTTF(年) |
LSMT-45-0150H | 4 | 112 | 150 | 500 | 220 | <12 | 461 | 4.91E-09 | 45 |
LSMT-45-0190H | 5 | 152 | 190 | 500 | 260 | <12 | 450 | 4.91E-09 | 44 |
LSMT-45-0230H | 6 | 192 | 230 | 500 | 300 | <13 | 439 | 5.38E-09 | 44 |
LSMT-45-0270H | 7 | 232 | 270 | 500 | 340 | <13 | 429 | 5.38E-09 | 44 |
LSMT-45-0310H | 8 | 272 | 310 | 750 | 380 | <13 | 420 | 5.38E-09 | 43 |
LSMT-45-0350H | 9 | 312 | 350 | 750 | 420 | <14 | 411 | 5.38E-09 | 43 |
LSMT-45-0390H | 10 | 352 | 390 | 750 | 460 | <14 | 402 | 5.94E-09 | 43 |
LSMT-45-0430H | 11 | 392 | 430 | 750 | 500 | <14 | 394 | 5.94E-09 | 42 |
LSMT-45-0470H | 12 | 432 | 470 | 750 | 540 | <15 | 386 | 5.94E-09 | 42 |
LSMT-45-0510H | 13 | 472 | 510 | 750 | 580 | <15 | 378 | 6.44E-09 | 42 |
LSMT-45-0550H | 14 | 512 | 550 | 1000 | 620 | <16 | 371 | 6.44E-09 | 41 |
LSMT-45-0590H | 15 | 552 | 590 | 1000 | 660 | <16 | 364 | 6.44E-09 | 41 |
LSMT-45-0630H | 16 | 592 | 630 | 1000 | 700 | <16 | 357 | 6.44E-09 | 41 |
LSMT-45-0670H | 17 | 632 | 670 | 1000 | 740 | <17 | 350 | 6.44E-09 | 40 |
LSMT-45-0710H | 18 | 672 | 710 | 1000 | 780 | <17 | 344 | 7.04E-09 | 40 |
LSMT-45-0750H | 19 | 712 | 750 | 1000 | 820 | <17 | 338 | 7.04E-09 | 40 |
LSMT-45-0790H | 20 | 752 | 790 | 1000 | 860 | <18 | 332 | 7.04E-09 | 39 |
LSMT-45-0830H | 21 | 792 | 830 | 1200 | 900 | <18 | 326 | 7.04E-09 | 39 |
LSMT-45-0870H | 22 | 832 | 870 | 1200 | 940 | <18 | 321 | 7.04E-09 | 39 |
LSMT-45-0910H | 23 | 872 | 910 | 1200 | 980 | <19 | 315 | 7.76E-09 | 38 |
LSMT-45-0950H | 24 | 912 | 950 | 1200 | 1020 | <19 | 310 | 7.76E-09 | 38 |
LSMT-45-0990H | 25 | 952 | 990 | 1200 | 1060 | <19 | 305 | 7.76E-09 | 38 |
LSMT-45-1030H | 26 | 992 | 1030 | 1500 | 1100 | <20 | 300 | 7.76E-09 | 38 |
LSMT-45-1070H | 27 | 1032 | 1070 | 1500 | 1140 | <20 | 296 | 7.76E-09 | 37 |
LSMT-45-1110H | 28 | 1072 | 1110 | 1500 | 1180 | <21 | 291 | 7.76E-09 | 37 |
LSMT-45-1150H | 29 | 1112 | 1150 | 1500 | 1220 | <21 | 287 | 7.76E-09 | 37 |
LSMT-45-1190H | 30 | 1152 | 1190 | 1500 | 1260 | <21 | 282 | 8.67E-09 | 37 |
LSMT-45-1230H | 31 | 1192 | 1230 | 1500 | 1300 | <22 | 278 | 8.67E-09 | 36 |
LSMT-45-1270H | 32 | 1232 | 1270 | 1500 | 1340 | <22 | 274 | 8.67E-09 | 36 |
LSMT-45-1310H | 33 | 1272 | 1310 | 1750 | 1380 | <22 | 270 | 8.67E-09 | 36 |
LSMT-45-1350H | 34 | 1312 | 1350 | 1750 | 1420 | <23 | 266 | 8.67E-09 | 36 |
LSMT-45-1390H | 35 | 1352 | 1390 | 1750 | 1460 | <23 | 263 | 8.67E-09 | 35 |
LSMT-45-1430H | 36 | 1392 | 1430 | 1750 | 1500 | <23 | 259 | 9.81E-09 | 35 |
LSMT-45-1470H | 37 | 1432 | 1470 | 1750 | 1540 | <24 | 256 | 9.81E-09 | 35 |
LSMT-45-1510H | 38 | 1472 | 1510 | 1750 | 1580 | <24 | 252 | 9.81E-09 | 34 |
LSMT-45-1550H | 39 | 1512 | 1550 | 2000 | 1620 | <25 | 249 | 9.81E-09 | 34 |
LSMT-45-1590H | 40 | 1552 | 1590 | 2000 | 1660 | <25 | 246 | 9.81E-09 | 34 |
LSMT-45-1630H | 41 | 1592 | 1630 | 2000 | 1700 | <25 | 243 | 9.81E-09 | 34 |
LSMT-45-1670H | 42 | 1632 | 1670 | 2000 | 1740 | <26 | 240 | 9.81E-09 | 34 |
LSMT-45-1710H | 43 | 1672 | 1710 | 2000 | 1780 | <26 | 237 | 1.08E-08 | 34 |
LSMT-45-1950H | 49 | 1912 | 1950 | 2020 | <28 | 220 | 1.08E-08 | 32 | |
LSMT-45-2190H | 55 | 2152 | 2190 | 2260 | <30 | 206 | 1.19E-08 | 31 | |
LSMT-45-2430H | 61 | 2392 | 2430 | 2500 | <32 | 193 | 1.19E-08 | 30 | |
LSMT-45-2910H | 73 | 2872 | 2910 | 2980 | <37 | 172 | 1.50E-08 | 28 | |
说明:1.H表示检测高度、J表示发射器、接收器长度、L表示钢管长度,C表示防护罩长度(单位:mm) 2.表格所列型号默认为PNP输出方式,检测距离为A型:0~8m;型号后可加(-□N),可定制检测距离:B型:0~15m;N为NPN输出方式 | |||||||||
▊技术参数
执行标准 | EN 61496-1:2013(Type 4 ESPE) EN 61496-2:2013(Type 4 AOPD) EN ISO 13849-1:2015(Category 4、PLe) EN 61326-1:2013 IEC 61496-1:2012 (Type 4 ESPE),IEC 61496-2:2013(Type 4 AOPD) IEC 61326-1 ISO 13855 | |||
参考标准 | 2014/35/EU(低电压指令) EN/IEC 61508 EN/IEC 61010-1 EN 60204-1 EN/IEC 62061 | |||
安全类别 | ||||
安全等级 | Type 4 Category 4 PLe | |||
DCavg | 99% | |||
CCF | 100 | |||
MTTFD/PFHD | (详细版安全光栅规格型号表) | |||
光学特征 | ||||
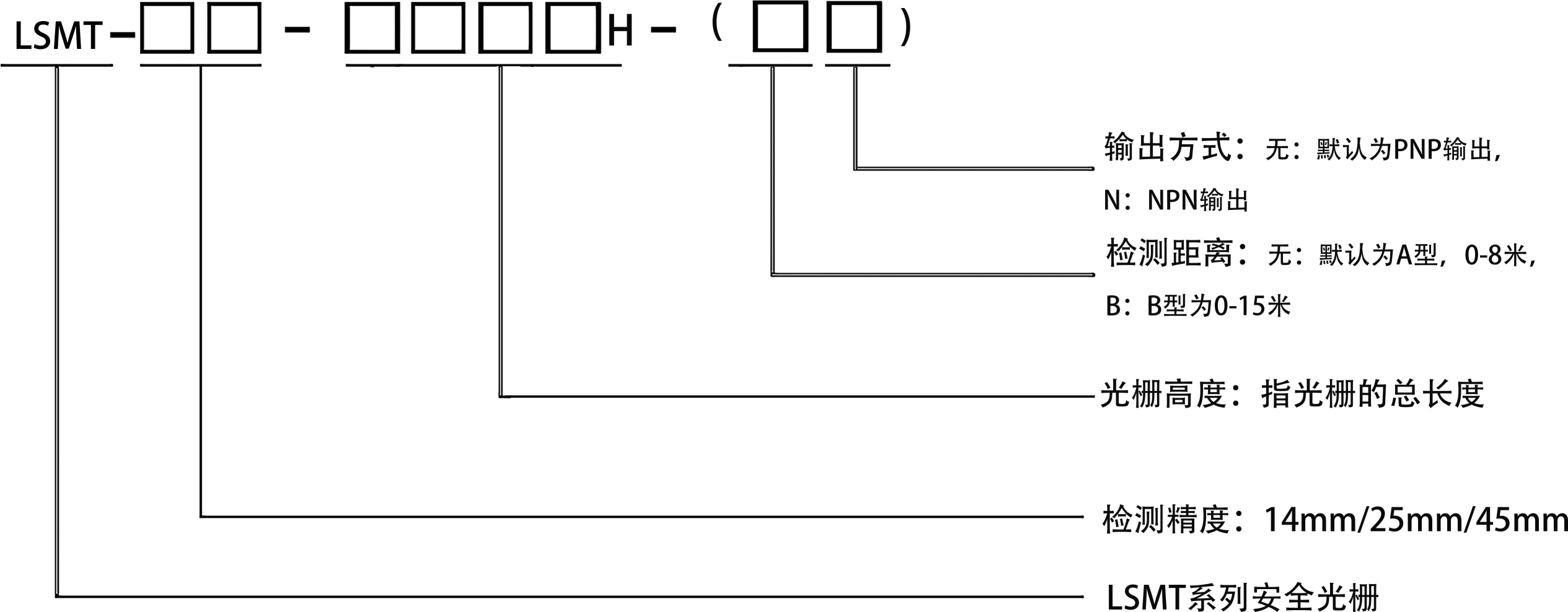
检测精度 | 14mm/25mm/45mm | |||
检测距离 | 默认检测距离0~8m,可定制0~15m | |||
检测高度 | 232mm~2872mm (见LSMT型安全光栅规格型号参数一览表) | |||
EAA | 满足IEC61496-2要求,检测距离在3m以上时,EAA<2.5° | |||
光源 | 红外LED (波长850nm) | |||
环境特征 | ||||
环境温度 | 工作 | -10℃~55℃(无结霜及凝雾) | 储存 | -30℃~70℃ |
环境湿度 | 工作 | 35%RH~85%RH | 储存 | 35%RH~95%RH |
抗光干扰 | 白炽光源:≥3000 Lux;荧光光源: >3000 Lux;太阳光源:>10000 Lux | |||
同源光干扰 | 相同设计的发射元件的干扰光,不会导致LSMT型安全光栅产生危险失效 | |||
抗振能力 | 频率10Hz~55Hz;振幅:0.35±0.05mm;X、Y及Z方向各20次 | |||
抗冲击能力 | 加速度10g,脉冲持续时间16ms,X、Y及Z方向各1000次 | |||
防护等级 | IP65/IP67(IEC 60529) | |||
外形尺寸 | 33×28×Jmm(J为发射器和接收器长度) | |||
电气特征 | ||||
电源电压 | 24V DC±20%(纹波5%) | |||
消耗电流 | 发射器:<200 mA;接收器: <200 mA | |||
响应时间 | 13 ms~140 ms | |||
同步方式 | 光同步兼容线同步 | |||
安全输出(OSSDs) | PNP | PNP晶体管输出×2;ON状态时,负载电流≤300mA,输出电压≥Vcc-2V;OFF状态时,漏电流≤1mA,残留电压≤1V(排除导线延长的影响) ;容性负载: 0.9uF;感性负载:2H | ||
NPN | NPN晶体管输出×2,ON状态时,负载电流≤300mA,输出电压≤2V;OFF状态时,漏电流≤1mA,残留电压≤2V (排除导线延长的影响);容性负载: 0.9uF,感性负载:2H | |||
启动时间 | <2s | |||
检测功能 | 上电自检,工作过程中实时自检 | |||
保护电路 | 过压过流保护,输出短路保护 | |||
防止相互干扰功能 | 回避光干扰算法,光同步时,相邻机器使用时采用不同光通信编码 | |||
▊认证标准
| 欧洲标准 | 国际标准 |
EN 61496-1:2013(Type 4 ESPE) EN 61496-2:2013(Type 4 AOPD) ENISO 13849-1:2015(Category 4、PLe) EN 61326-1:2013 | IEC 61496-1:2012(Type 4 ESPE) IEC 61496-2:2013(Type 4 AOPD) IEC 61326-1 ISO 13855 |
▊型号说明

▊典型接线图



▊光栅接602示例图
光同步接602示例图 | 线同步接602示例图 |
![]() | ![]() |





Copyright © 立宏安全设备工程(上海)有限公司 沪ICP备19034341号-1 技术支持:蓝巨鲸品牌推广